- Cam kết chính hãng
- Hàng nhập khẩu 100%, có CO, CQ đầy đủ
- Chất lượng tốt
- Giá cả phải chăng
- Giá: Liên Hệ
Van An Toàn Xuất Xứ Italy – Giải Pháp Bảo Vệ Hệ Thống Công Nghiệp Hiệu Quả
Van an toàn (Safety Valve) là thiết bị quan trọng không thể thiếu trong các hệ thống công nghiệp, đặc biệt trong các ngành dầu khí, hóa chất, luyện kim và sản xuất năng lượng. Với xuất xứ từ Italy và được chế tạo từ các vật liệu cao cấp như thép WCB và inox SS304, van an toàn mang lại độ bền, an toàn và hiệu suất vượt trội. Bài viết này sẽ cung cấp thông tin chi tiết về van an toàn, giúp bạn hiểu rõ vai trò và lợi ích của sản phẩm này trong các ứng dụng công nghiệp.

1. Van An Toàn Là Gì?
a. Định Nghĩa và Vai Trò
Van an toàn là một loại van được thiết kế để giảm áp suất đột ngột trong các hệ thống cung cấp khí hoặc chất lỏng, đảm bảo an toàn cho thiết bị và hệ thống. Khi áp suất vượt quá mức cho phép, van sẽ tự động mở để xả chất lỏng hoặc khí, từ đó đưa áp suất về mức an toàn. Điều này giúp ngăn ngừa nguy cơ nổ vỡ hoặc hư hỏng thiết bị do áp suất quá cao.
Van an toàn đóng vai trò quan trọng trong các ngành công nghiệp như:
- Hóa dầu: Bảo vệ hệ thống ống dẫn xăng dầu, hóa chất và dung môi.
- Hóa chất: Đảm bảo an toàn trong các nhà máy sản xuất hóa chất.
- Luyện kim: Hỗ trợ vận hành ổn định trong môi trường nhiệt độ và áp suất cao.
- Sản xuất năng lượng: Bảo vệ các hệ thống nồi hơi và turbine.
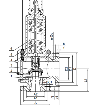
b. Cấu Tạo của Van An Toàn
Van an toàn được thiết kế với các bộ phận chính đảm bảo hoạt động hiệu quả và an toàn:
- Thân van: Được làm từ các vật liệu chống ăn mòn như thép WCB, inox SS304, gang hoặc đồng, giúp chịu được tác động từ môi trường khắc nghiệt. Ở van gián tiếp, núm điều chỉnh thường được đặt trên nắp van thay vì thân van.
- Bộ phận xả lưu chất: Kết nối với đường xả để giải phóng áp suất khi vượt quá ngưỡng cho phép.
- Bộ phận kết nối đường ống: Đảm bảo kết nối chắc chắn với hệ thống qua ren hoặc mặt bích. Van bằng đồng nối ren thường dùng cho hệ thống khí nén hoặc thủy lực, trong khi van gang nối bích phù hợp với hệ thống đường kính lớn.
- Đĩa van: Ngăn dòng chảy khi áp suất vượt mức, hoạt động nhờ lò xo hoặc piston (ở van gián tiếp) để mở hoặc đóng van.
- Lò xo: Cố định đĩa van, tạo lực đàn hồi để kích hoạt van khi cần thiết. Van gián tiếp thường có hai lò xo, gồm lò xo chính và lò xo điều chỉnh.
- Đệm lò xo: Giữ lò xo cố định khi van không hoạt động.
- Nắp chụp bảo vệ: Ngăn rò rỉ lưu chất, đảm bảo hệ thống kín. Van gián tiếp có thêm núm điều chỉnh áp suất.
- Trục đĩa van: Hỗ trợ đĩa van di chuyển đúng hướng. Ở van gián tiếp, trục có thể được thay bằng piston.
- Nút bịt: Làm kín van, ngăn rò rỉ.
- Vít điều chỉnh: Thay đổi áp suất đầu vào của van.
- Tay giật: Cho phép mở van thủ công trước khi đạt ngưỡng áp suất (tùy loại van).

2. Vật Liệu Chế Tạo Cao Cấp
Van an toàn được sản xuất từ các vật liệu chất lượng cao, đảm bảo độ bền và khả năng hoạt động trong các điều kiện khắc nghiệt:
- Thép WCB: Phù hợp với môi trường có áp suất và nhiệt độ cao, thường được sử dụng trong các hệ thống công nghiệp nặng.
- Inox SS304: Nổi bật với khả năng chống ăn mòn, lý tưởng cho các môi trường hóa chất hoặc điều kiện ẩm ướt.
Sự kết hợp giữa thép WCB và inox SS304 mang lại độ bền vượt trội, giúp van an toàn hoạt động ổn định và có tuổi thọ lâu dài, đáp ứng mọi yêu cầu khắt khe của các hệ thống công nghiệp.
3. Xuất Xứ Từ Italy – Chất Lượng Đẳng Cấp Châu Âu
Van an toàn xuất xứ từ Italy được sản xuất theo các tiêu chuẩn công nghệ tiên tiến, đảm bảo chất lượng và hiệu suất cao. Các sản phẩm từ Italy luôn được đánh giá cao nhờ độ chính xác, độ bền và khả năng đáp ứng các tiêu chuẩn an toàn quốc tế. Điều này khiến van an toàn Italy trở thành lựa chọn hàng đầu cho các dự án công nghiệp yêu cầu độ tin cậy cao.
4. Ứng Dụng Thực Tế của Van An Toàn
Van an toàn được sử dụng rộng rãi trong các ngành công nghiệp nhờ tính năng bảo vệ hệ thống hiệu quả:
- Ngành dầu khí: Đảm bảo an toàn cho các hệ thống đường ống dẫn xăng dầu, hóa chất và dung môi.
- Ngành hóa chất: Ngăn ngừa nguy cơ nổ vỡ trong các nhà máy sản xuất hóa chất.
- Luyện kim: Hỗ trợ vận hành trong môi trường nhiệt độ và áp suất cao.
- Sản xuất năng lượng: Bảo vệ nồi hơi, turbine và các thiết bị áp suất cao.
5. Lý Do Nên Chọn Van An Toàn Xuất Xứ Italy
- An toàn tuyệt đối: Đáp ứng các tiêu chuẩn phòng nổ và an toàn quốc tế, giảm thiểu rủi ro trong môi trường nguy hiểm.
- Độ bền cao: Sử dụng vật liệu chất lượng cao, chịu được điều kiện khắc nghiệt và có tuổi thọ lâu dài.
- Hiệu suất vượt trội: Đảm bảo vận hành ổn định, giảm thiểu nguy cơ hư hỏng hệ thống.
- Chất lượng châu Âu: Sản phẩm từ Italy mang lại độ tin cậy và chính xác cao, phù hợp với các dự án công nghiệp lớn.
Nếu bạn đang tìm kiếm một giải pháp van an toàn chất lượng cao cho hệ thống công nghiệp của mình, hãy liên hệ ngay với chúng tôi qua hotline để được tư vấn chi tiết và nhận báo giá tốt nhất.
Van an toàn xuất xứ Italy – sự lựa chọn đáng tin cậy cho an toàn và hiệu quả của hệ thống công nghiệp!
Van bi
Để biết thêm chi tiết, vui lòng liên hệ:0971.735.735 hoặc truy cập https://nsgmarine.com để được hỗ trợ.



